Vòi nước gật gù là sản phẩm được sử dụng rộng rãi trên thị trường hiện nay, với giá thành rẻ, dễ dàng sử dụng sản phẩm có thể sử dụng được cả cho sen tắm, chậu rửa thông thường. Các sản phẩm vòi nước gật gù trên thị trường có cấu tạo, mẫu mã đa dạng khiến người tiêu dùng rất khó nhận biết, cũng như khó sửa chữa trong quá trình sử dụng nếu gặp sự cố. Bài viết sau đây của Showroom Hải Linh sẽ cung cấp cho khách hàng những kiến thức về chiếc vòi gật gù, cách tháo vòi nước gật gù khi gặp trục trặc trong quá trình sử dụng nhé! Xem ngay.
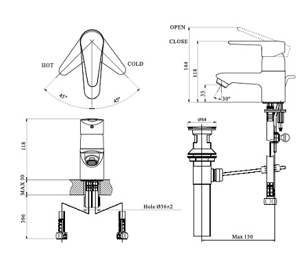
Cấu tạo vòi nước gật gù:

Cấu tạo vòi nước gật gù
Sản phẩm vòi nước gật gù trên thị trường hiện nay được chia làm 2 loại:
Sản phẩm vòi nước gật gù 1 chân: sử dụng cho các sản phẩm chậu rửa chỉ có 1 lỗ.
Vòi nước gật gù 2 chân: sử dụng cho kết hợp với sen tắm tường, chậu rửa 2 lỗ
Trên thị trường hiện nay, sản phẩm vòi chậu gật gù 1 lỗ được người tiêu dùng ưa chuộng hơn cả với đường nét hiện đại, tinh tế, phù hợp với nhu cầu sử dụng của khách hàng. Tuy nhiên, với dòng sản phẩm vòi chậu 2 lỗ gật gù lại có lắp đặt khá chắc chắn, bền bỉ trong quá trình sử dụng. Vì vậy, tùy vào nhu cầu sử dụng, mắt thẩm mỹ của gia chủ mà lựa chọn sản phẩm cho phù hợp với nhu cầu sử dụng.
Vòi chậu gật gù có cấu tạo gồm 2 phần:
Phần vỏ của vòi bao gồm các phần tay cầm, chân vòi chậu ( 1 lỗ hoặc 2 lỗ ), màng lọc
Cách tháo vòi nước gật gù khi gặp sự cố
Hiện nay, có 3 trường hợp hay gặp phải của vòi nước gật gù đó là
vòi nước gật gù bị rò rì nước
vòi chậu gật gù chảy yếu
vòi gật gù không hoạt động

Cách tháo vòi nước gật gù khi gặp sự cố
Sau đây, Showroom Hải Linh sẽ đưa ra nguyên nhân và cách khắc phục những sự cố này. Xem ngay
Với trường hợp vòi nước gật gù bị rò rỉ nước:
Nguyên nhân là do phần lõi của vòi gặp trục trặc do vòi gật gù đã sử dụng quá lâu ngày, khiến các bộ phận gioăng cao su không còn khít chặt với phần lõi, khi đó nguồn nước chảy qua sẽ gây rò rỉ nước. Nếu như sự cố này để quá lâu, nguồn nước rò rỉ quá nhiều sẽ gây tốn nhiều nước.
Để khắc phục sự cố này: bạn nên kiểm tra lại bộ lõi, các chi tiết gioăng cao su còn sử dụng tiếp được hay không. Nếu không nên thay thế bằng những chi tiết mới, khách hàng nên thay thế hoàn toàn nếu các bộ phận trong lõi không hoạt động, hay đã quá hư hỏng, ảnh hưởng trực tiếp đến nhu cầu sử dụng vòi. Cần mua mới để thay thế.
Vòi chậu gật gù chảy yếu: đây là trường hợp khách hàng gặp phải khá nhiều, hầu hết các cuộc điện thoại gọi tới hotline của Hải Linh đều hỏi về sự cố này. Thông thường, nếu vòi chậu gặp phải sự cố này là do tắc nghẽn ống dẫn nước ở đầu vòi hoặc van khóa nguồn nước chưa được mở đúng cách.
Hãy khắc phục sự cố này bằng cách: kiểm tra ngay lại van cấp nước của thiết bị đã được mở đúng cách hay chưa, van đã được vặn hết cỡ hay chưa. Đối với các đường ống dẫn nước cần vệ sinh sạch sẽ, tránh bám cặn nước trong ống, các bộ phận lỗ của vòi cần phải có cách xử lý phù hợp để khắc phục triệt để sự cố này.
Trường hợp vòi chậu gật gù không hoạt động:
Nguyên nhân duy nhất là do hệ thống cấp nước đang gặp trục trặc, chưa cấp nguồn nước liên tục hoặc cũng có thể do nguồn áp lực nước không đủ để dẫn tới vòi, nên vòi không thể hoạt động được.
Để khắc phục: bạn nên kiểm tra chắc chắn van cấp nước đã được mở hoàn toàn chưa, cần bổ sung nước vào bể chưa để có thể cung cấp đủ nguồn nước sử dụng cho vòi. Nếu áp lực nước không đủ để tới, cần có bơm tăng áp để có thể cung cấp nước phù hợp cho vòi.
Trên đây, Showroom Hải Linh đã cung cấp tới cho khách hàng những kiến thức về sản phẩm vòi nước gật gù và những cách khắc phục nếu vòi gặp sự cố. Mọi thắc mắc khách hàng có thể liên hệ trực tiếp với chúng tôi theo hotline 0988.930.568 để được tư vấn nhanh nhất.
